
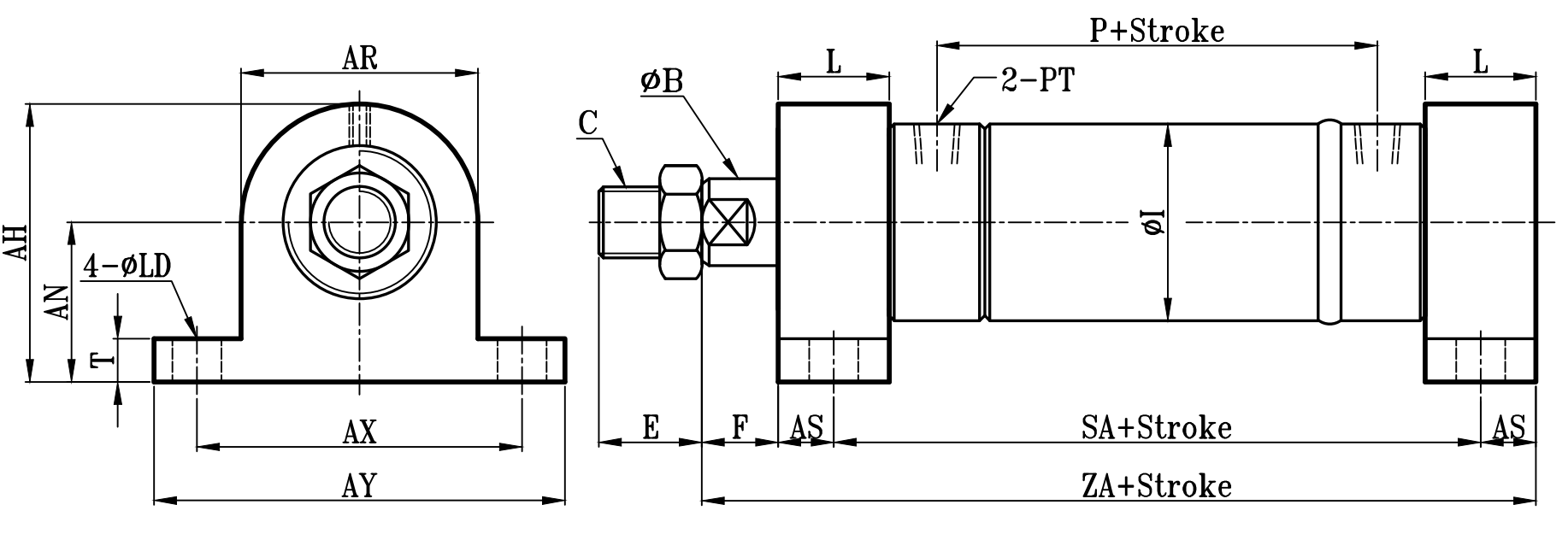
ROB:ROB+LA(座) TYPE | 圓型中型油壓缸LA座板尺寸圖 14Mpa R0 Series LA Dimensional Features |
![]() | |
ROD:ROD+LA(座) TYPE

注:感應油缸時,不論是單軸還是雙軸缸,缸筒長度的選擇均為雙軸缸的缸筒長度
| ROB-ROD TYPE | LA (腳座型)TYPE | |||||||||||||||||||
| 缸徑 BORE | ΦB | C | E | F | P | ΦI | PT | SA | SA1 | Z | ZD | ΦLD | T | L | AH | AY | AN | AX | AS | AR |
| Φ32 | 16 | M14xP1.5 | 30 | 15 | 81 | 42 | 1/4 | 135 | 155 | 175 | 210 | 9 | 14 | 25 | 54 | 95 | 29 | 75 | 12.5 | 50 |
| Φ40 | 20 | M16xP1.5 | 30 | 15 | 84 | 50 | 3/8 | 135 | 155 | 175 | 210 | 12 | 14 | 25 | 69 | 115 | 36.5 | 95 | 12.5 | 65 |
| Φ50 | 25 | M22xP1.5 | 40 | 20 | 95 | 60 | 3/8 | 161 | 185 | 211 | 255 | 14 | 19 | 30 | 84 | 140 | 44 | 115 | 15 | 80 |
| Φ63 | 35 | M30xP1.5 | 40 | 20 | 95 | 73 | 3/8 | 161 | 185 | 211 | 255 | 16 | 19 | 30 | 95 | 160 | 50 | 130 | 15 | 90 |
| Φ80 | 40 | M30xP1.5 | 45 | 25 | 113 | 92 | 1/2 | 188 | 215 | 248 | 300 | 18 | 24 | 35 | 115 | 185 | 60 | 155 | 17.5 | 110 |
| Φ100 | 50 | M40xP2.0 | 50 | 25 | 123 | 114 | 1/2 | 198 | 225 | 258 | 310 | 20 | 24 | 35 | 135 | 215 | 70 | 180 | 17.5 | 130 |
| Φ125 | 60 | M50xP2.0 | 60 | 30 | 136 | 140 | 3/4 | 218 | 250 | 288 | 350 | 24 | 29 | 40 | 168 | 265 | 87 | 220 | 20 | 162 |
| Φ140 | 70 | M60xP2.0 | 70 | 30 | 136 | 160 | 3/4 | 218 | 250 | 288 | 350 | 24 | 29 | 40 | 186 | 290 | 96 | 240 | 20 | 180 |
| Φ150 | 80 | M70xP2.0 | 80 | 30 | 151 | 168 | 3/4 | 248 | 285 | 323 | 390 | 29 | 34 | 45 | 201 | 315 | 103.5 | 260 | 22.5 | 195 |
| Φ160 | 80 | M70xP2.0 | 80 | 30 | 151 | 178 | 3/4 | 248 | 285 | 323 | 390 | 29 | 34 | 45 | 211 | 325 | 108.5 | 270 | 22.5 | 205 |
| Φ180 | 100 | M90xP2.0 | 100 | 35 | 177 | 200 | 1 | 280 | 320 | 365 | 440 | 32 | 39 | 50 | 242 | 370 | 124.5 | 310 | 25 | 235 |
| Φ200 | 100 | M90xP2.0 | 100 | 35 | 177 | 228 | 1 | 280 | 320 | 365 | 440 | 35 | 44 | 50 | 267 | 405 | 137 | 340 | 25 | 260 |
| Φ220 | 125 | M100xP3.0 | 110 | 35 | 203 | 250 | 1 1/4 | 312 | 355 | 402 | 480 | 38 | 49 | 55 | 292 | 440 | 149.5 | 370 | 27.5 | 285 |
| Φ250 | 125 | M100xP3.0 | 110 | 35 | 203 | 276 | 1 1/4 | 312 | 355 | 402 | 480 | 41 | 54 | 55 | 322 | 480 | 164.5 | 405 | 27.5 | 315 |
訂購:r0-la